PSE-GM2DPBB-E3 czujnik refleksyjny do obiektów transparentnych, butelek, zasięg do 2m, PNP, NO/NC, konektor M8

232,47 189,00

PSE-GM2DPBB-E3, czujnik refleksyjny do obiektów transparentnych, przezroczystych, butelek, zasięg do 2m, PNP, NO/NC, konektor M8

 Produkt dostępny w większej ilości.

Akceptujemy płatności poprzez Przelewy24.pl

Opis

PSE-GM2DPBB-E3 czujnik refleksyjny do obiektów transparentnych, butelek, zasięg do 2m, PNP, NO/NC, konektor M8

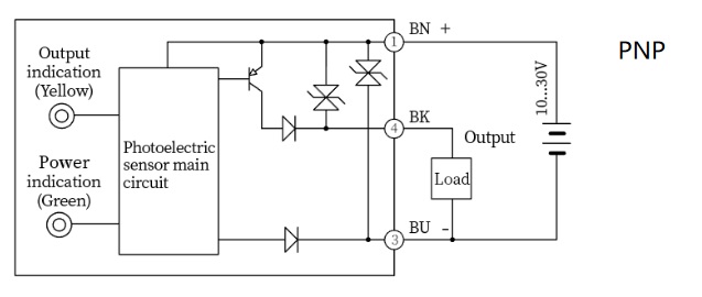
Zasilanie: DC 10-30V
Wymiary obudowy (Wys*Sz*Gł): 32x12x20mm (seria PSE)
Strefa działania (Sn): 2m
Rodzaj światła: niebieskie
Wielkość plamki: ≤60mm@2m
Sposób podłączenia: konektor M8 (4-piny)
Polaryzacja: PNP
Wyjście: NO/NC (przełączane)
Materiał obudowy: plastik (PC/ABS)
Stopień ochrony: IP67
Dodatkowe akcesoria: lusterko TD-09, uchwyt mocujący

Informacje dodatkowe

Certyfikaty i Katalogi

Karta katalogowa Karta katalogowa

Produkty powiązane