PSS-GM2DPBR-E2 – czujnik do obiektów przezroczystych, zasięg do 2m, światło czerwone, PNP, NO+NC, konektor M12

207,87 169,00

PSS-GM2DPBR-E2, czujnik do obiektów przezroczystych, zasięg do 2m, światło czerwone, PNP, NO+NC, konektor M12

 Produkt dostępny w większej ilości.

Akceptujemy płatności poprzez Przelewy24.pl

Opis

PSS-GM2DPBR-E2 – czujnik do obiektów przezroczystych, zasięg do 2m, światło czerwone, PNP, NO+NC, konektor M12

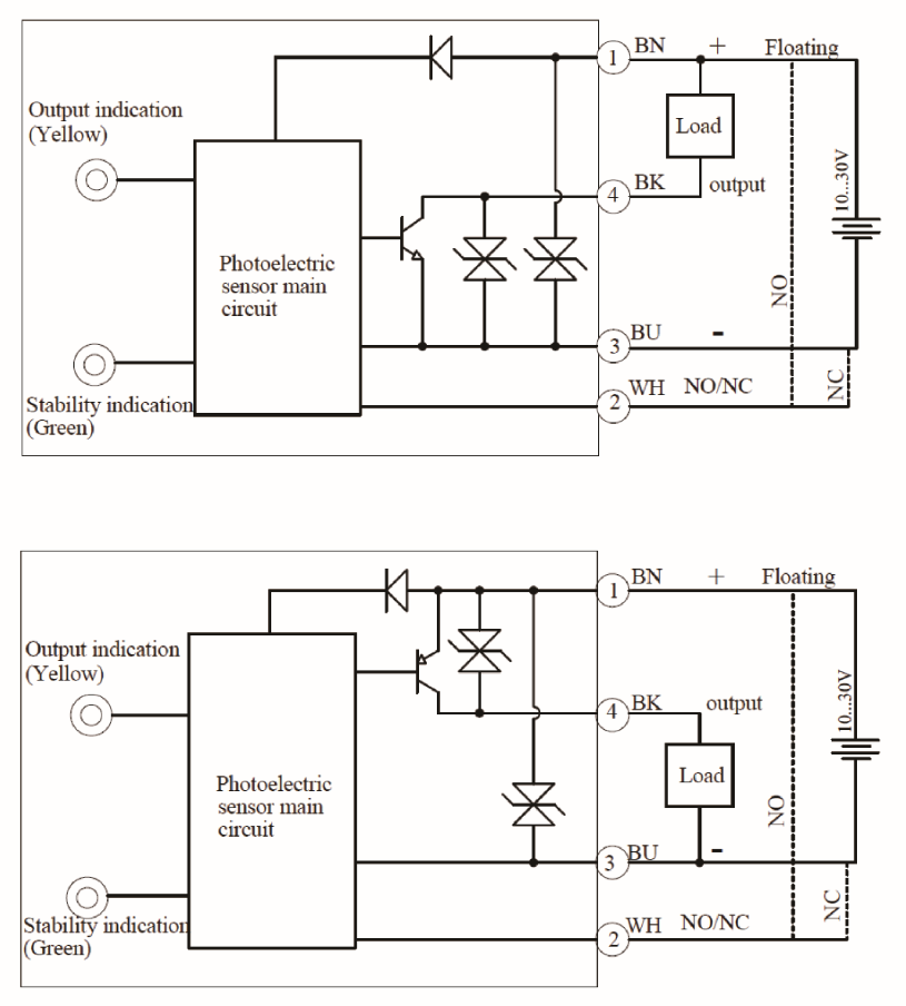
Zasilanie: 12-24V DC (3-przewodowy)
Wielkość obudowy: M18
Strefa działania (Sn): 2m
Rodzaj światła:
światło widzialne (czerwone)
Sposób podłączenia: konektor M12/4pin
Polaryzacja: PNP
Wyjście: NO/NC
Materiał obudowy:
plastik
Stopień ochrony: IP67
Prąd obciążenia: <100mA
Czas odpowiedzi: <2ms
Producent Lanbao

 

Informacje dodatkowe

Sposób podłączenia Konektor M12 / 4pin
Zasilanie 12..24V DC
Strefa działania 2 m
Konfiguracja wyjścia PNP
Wyjście NO/NC

Certyfikaty i Katalogi

Brak dodatkowych materiałów.

Produkty powiązane